THREE PHASE ISOLATION TRANSFORMER
18 KVA, P/N 19354N
Specifications:
-
- Isolation Transformer, 18 KVA, 3 PH, 60 Hz, P/N 19354N
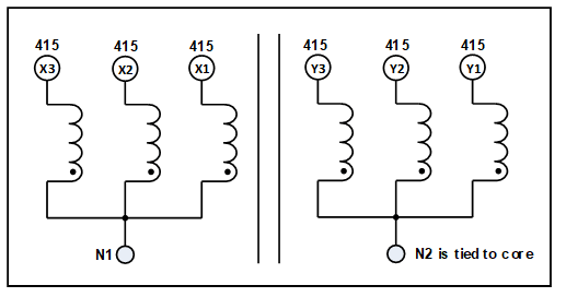
- Primary (X1, X2, X3): 415 VAC L-L, 25 Amps, Wye with neutral N1
- Secondary (Y1, Y2, Y3): 415 VAC L-L, 25 Amps, Wye with neutral N2
- Neutral N2 is tied to core and metal enclosure
- Copper winding construction
- Primary and secondary copper bus bars are 1/8” x 5/8” with one hole
- Indoor enclosure: 24”H x 18”W x 24”D
- Estimated weight: 260 lbs.
The photo of the transformer and the enclosure is shown below:

The schematic diagram is shown below:

To discuss your specific application, please call our phone number at (714) 624-4740, or send us an email at quote@lcmagnetics.com.