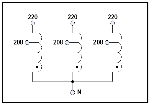
THREE PHASE AUTO TRANSFORMER, 4 KVA
INPUT 208 VAC, OUTPUT 220 VAC, P/N 19381N
Our engineering team can design Buck Boost Transformers based on your existing transformer or your specifications for a new custom transformer specifically engineered and manufactured by L/C Magnetics. We offer a wide range of Buck and Boost Transformers designed to efficiently adjust voltage levels for various applications. These transformers are unique because they have efficient under-voltage and over-voltage conditions compared to an isolation transformer. Buck Boost Transformers, also known as Auto Transformers, operate by sharing a part of the primary and secondary windings. This design allows them to achieve voltage adjustment with minimal power consumption compared to a standard transformer of equivalent capacity. However, they are not suitable for full voltage transformation like traditional step-up or step-down transformers. A prime example of our Buck and Boost Transformers is our Three Phase Auto Transformer 4 KVA.
Specifications:
- Buck Boost transformer: 4 KVA, 3 PH, 60 Hz, P/N 19381N
- Input: 208 VAC L-L, 11.2 Amps
- Output: 220 VAC L-L, 10.5 Amps
- Copper winding construction
- Input/output copper bus bars are 1/8” x 5/8” with one hole
- Indoor enclosure with louver, 17”L x 9.5”W x 9.5”W
- Estimated weight: 70 lbs.
Expedite is possible.
Contact us at 714-624-4740 for current pricing and similar products.
We can redesign if your requirements are different.
The photos of the transformer and the enclosure is shown below:

The schematic diagram is shown below:

The input/output connection block diagram is shown below:

To discuss your specific application, please call our phone number at (714) 624-4740, or send us an email at quote@lcmagnetics.com.