THREE PHASE AUTO TRANSFORMER, 21 KVA
INPUT 208 VAC, OUTPUT 460 VAC, P/N 19334N
Specifications:
- Buck Boost transformer: 21 KVA, 3 PH, 60 Hz, P/N 19334N
- Input: 208 VAC L-L, 58 Amps
- Output: 460 VAC L-L, 26 Amps
- Copper winding construction
- Input/output copper bus bars are 1/8” x 5/8” with one hole
- Indoor enclosure, 24”H x 18”W x 16”D
- Estimated weight: 225 lbs.
The photos of the transformer and the enclosure is shown below:

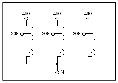
The schematic diagram is shown below:

The input/output connection block diagram is shown below:

To discuss your specific application, please call our phone number at (714) 624-4740, or send us an email at quote@lcmagnetics.com.