THREE PHASE AUTO TRANSFORMER, 55 KVA
INPUT 480 VAC, OUTPUT 400 VAC, P/N 19566N
Specifications:
- Buck Boost transformer: 55 KVA, 3 PH, 60 Hz, P/N 19566N
- Input: 480 VAC L-L, 66.2 Amps
- Output: 400 VAC L-L, 79.4 Amps
- Copper winding constructions
- Approvals: None
- Input/output copper bus bars are 1/8” x 5/8” with one hole
- Indoor enclosure: 24”H x 18”W x 16”D
- Estimated weight: 250 lbs.
The photos of the transformer and the enclosure is shown below:

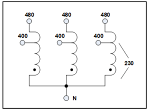
The schematic diagram is shown below: Neutral is available for connection.

The input/output connection block diagram is shown below:

To discuss your specific application, please call our phone number at (714) 624-4740, or send us an email at quote@lcmagnetics.com.