THREE PHASE AUTO TRANSFORMER, 4 KVA
INPUT 208 VAC, OUTPUT 380 VAC, P/N 19533N
Specifications:
- Buck Boost transformer: 4 KVA, 3 PH, 60 Hz, P/N 19533N
- Input: 208 VAC L-L, 11.1 Amps
- Output: 380 VAC L-L, 6 Amps
- Copper winding construction
- Input/output copper bus bars are 1/8” x 5/8” with one hole
- Indoor enclosure with louver: 17”L x 9.5”H x 9.5”W
- Estimated weight: 90 lbs.
The photos of the transformer and the enclosure is shown below:

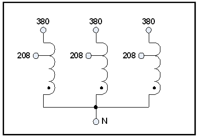
The schematic diagram is shown below: Neutral is not available for any connection.

The input/output connection block diagram is shown below:

To discuss your specific application, please call our phone number at (714) 624-4740, or send us an email at quote@lcmagnetics.com.