(714) 624-4740 quote@lcmagnetics.com

THREE PHASE AUTO TRANSFORMER, 2 KVA
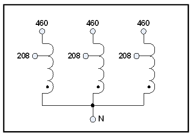
INPUT 208VAC, OUTPUT 460 VAC, P/N 19397N

Specifications:

  • Buck Boost transformer: 2 KVA, 3 PH, 60 Hz, P/N 19397N
  • Input: 208 VAC L-L, 5.55 Amps
  • Output: 460 VAC L-L, 2.51 Amps
  • Copper winding construction
  • Input/output copper bus bars are 1/8” x 5/8” with one hole
  • Indoor enclosure with louver, 17”L x 9.5”W x 9.5”W
  • Estimated weight: 70 lbs.

The photos of the transformer and the enclosure is shown below:

 

 

The schematic diagram is shown below:

 

 

The input/output connection block diagram is shown below:

 

 

To discuss your specific application, please call our phone number at (714) 624-4740, or send us an email at quote@lcmagnetics.com.