NEMA 1 THREE PHASE AUTO TRANSFORMER
10.4 KVA, P/N 19313N
Specifications:
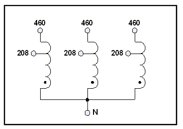
- Buck Boost transformer: 10.4 KVA, 3 PH, 60 Hz, P/N 19313N
- Input: 460 VAC L-L, 13 Amps
- Output: 208 VAC L-L, 29 Amps
- Copper winding construction
- Input/output copper bus bars are 1/8” x 5/8” with one hole
- Indoor enclosure, 24”H x 18”W x 16”D
- Estimated weight: 160 lbs.
The photos of the transformer and the enclosure is shown below:

The schematic diagram is shown below:

The input/output connection block diagram is shown below:

All our buck boost transformers are custom built to order. To discuss your specific application, please call our phone number at (714) 624-4740, or send us an email at quote@lcmagnetics.com.