NEMA 1 THREE PHASE AUTO TRANSFORMER
15 KVA, P/N 19303N
Specifications:
- Buck transformer: 15 KVA, 3 PH, 60 Hz, P/N 19303N
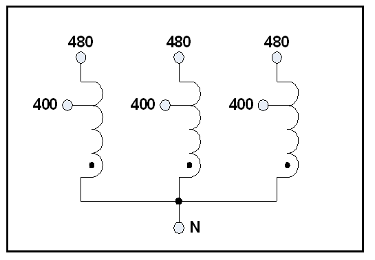
- Input: 480 VAC L-L, 18 Amps
- Output: 400 VAC L-L, 22 Amps
- Copper winding construction
- Input/output copper bus bars are 1/8” x 5/8” with one hole
- Indoor enclosure with louver, 17”L x 9.5”H x 9.5”W
- Estimated weight: 110 lbs.
The photos of the buck transformer is shown below:

The schematic diagram is shown below:

All our buck boost transformers are custom built to order. To discuss your specific application, please call our phone number at (714) 624-4740, or send us an email at quote@lcmagnetics.com.