Current Limiting Reactor 400 Amps Continuous, 60.6 uH
P/N 6265CLR
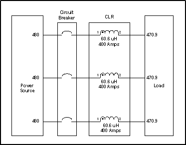
The customer application is shown below. The CLR (current limiting reactor) consists of three gapped inductors inside one enclosure. The input power is 480 VAC, 3 PH, 60 Hz. Circuit breakers are supplied by the customer. A 9.1 volts drop is observed at 480 amps continuous current.

The calculations of inductance value for 400 amps continuous and 21000 amps fault current are shown below:
Assuming 21000 Amps Fault Current, The Inductance Value is
- V = 2 x pi x F x L x I (Fault Current)
- L = 480 / (2 x pi x F x I (Fault Current))
- L= 480 / (2 x 3.142 x 60 x 21000) = 60.6 uH
Voltage Drop Across The CLR At 400 Amps Continuous Is
- V = 2 x pi x F x L x I (Continuous Current)
- V = 2 x 3.142 x 60 x (60.6 x 10-6) x 400
- V = 9.1 Volts
The voltage drop across the CLR at different current levels is shown in Table A:
Table A
| Voltage Drop Across The CLR | Current Thru The CLR |
| 9.1 Volts | 400 Amps |
| 22.8 Volts | 1000 Amps |
| 91 Volts | 4000 Amps |
| 182 Volts | 8000 Amps |
| 228 Volts | 10000 Amps |
| 342 Volts | 15000 Amps |
| 456 Volts | 20000 Amps |
| 480 Volts | 21000 Amps |
A photo of the inductor is shown below. Three inductors are required per system:

Specifications:
- Gapped Inductor, P/N 6265CLR
- L (1, 2) = 60.6 uH ± 25 %, 400 Amps
- Copper winding construction
- Copper bus bar: 2” x 1/4” with one hole
- Three inductor in one enclosure
- Temperature rise: 23°C
- Indoor enclosure, 24”H x 18”W x 16”D
Three inductors are housed inside one enclosure. The photo of the enclosure is shown below:

All our CLR’s are custom built to order. To discuss your specific application, please call our number at (714) 624-4740, or send us an email at quote@lcmagnetics.com.